SỰ PHÁT TRIỂN CỦA HỆ THỐNG VAV VÀ TẠI SAO LẠI CẦN VAV?
Bài viết này cung cấp thông tin cơ bản và thông tin chung về hệ thống VAV đồng thời điểm qua sự phát triển và những cải tiến trong hệ thống VAV ngày nay.
Vùng thoải mái.
HỆ THỐNG HVAC
Mục đích chính của bất kỳ một hệ thống HVAC nào là mang lại sự thoải mái cho những người đang sinh sống hay làm việc bên trong một tòa nhà. Sự thoải mái trong một không gian này phụ thuộc vào sự kết hợp giữa hai yếu tố: NHIỆT ĐỘ và ĐỘ ẨM.
Hình trên cho thấy các vùng thoải mái cho mùa hè và mùa đông như được định nghĩa trong “Tiêu chuẩn ASHRAE 55”. Vùng thoải mái là phạm vi mà tại đó các điều kiện làm hài lòng hầu hết những người ăn mặc phù hợp và đang làm công việc nhẹ nhàng, chẳng hạn như công việc văn phòng. Những người làm công việc nặng nhọc hơn và những người mặc quần áo dày hơn có thể cần điều kiện mát mẻ hơn. Vùng thoải mái mùa hè và mùa đông hơi khác nhau vì mọi người ăn mặc khác nhau theo từng mùa.
Hệ thống thông gió (không khí lấy từ bên ngoài) phải được cung cấp cho mọi tòa nhà có người ở. Việc ung cấp một lượng không khí tươi từ bên ngoài nhằm giúp không khí trong nhà không bị thiếu và gây hại cho sức khỏe.
Một hệ thống HVAC điều hòa không khí cung cấp cho các không gian sự kết hợp giữa độ ẩm và nhiệt độ có thể chấp nhận được trong vùng thoải mái. Nó cũng phải cung cấp đủ lượng không khí bên ngoài để thông gió. Hiệu quả của hệ thống phụ thuộc vào hai yếu tố:
- Lượng không khí được cung cấp, được đo bằng mét khối trên phút.
- Nhiệt độ của không khí cung cấp.
Để sưởi ấm hoặc làm mát một không gian, hai yếu tố này được kết hợp theo những cách khác nhau tùy thuộc vào loại và thiết kế của hệ thống HVAC cụ thể. Các kết hợp là:
- Khối lượng không đổiNhiệt độ thay đổi (CV-VT)
- Thể tích thay đổiNhiệt độ không đổi (VV-CT)
- Thể tích thay đổiNhiệt độ thay đổi (VV-VT)
Khi nhiệt độ không khí trong nhà thay đổi, độ ẩm cũng tăng hoặc giảm theo. Về cơ bản thì độ ẩm trong nhà nói chung vẫn nằm trong vùng thoải mái. Tuy nhiên, ở vùng (mùa) khí hậu khô, hệ thống HVAC cần có bộ thiết bị tạo độ ẩm để tăng độ ẩm trong không khí điều hòa khi cần thiết. Ở vùng khí hậu (mùa) ẩm ướt, các hệ thống có thể có thiết bị loại bỏ độ ẩm khỏi không khí cung cấp.
KHU VỰC KHÁC BIỆT.
Trong các tòa nhà lớn (đặc biệt là các tòa nhà trung tâm thương mại) sẽ có các khu vực không gian với chức năng khác nhau. Các khu vực khác nhau của tòa nhà sẽ có nhu cầu sưởi ấm và làm mát khác nhau. Hệ thống HVAC phải đảm bảo đáp ứng được các nhu cầu đó.
Ví dụ về các khu vực của một tòa nhà văn phòng điển hình
Trước đây, các tòa nhà thương mại lớn như các trung tâm thương mại chẳng hạn thường được thiết kế với giếng trời trung tâm nhằm mục đích đưa ánh sáng tự nhiên và không khí vào các phòng hoặc gian hàng. Ngày nay, khi chi phí xây dựng và giá đất đai tăng lên cùng với đó sự phát triển của công nghệ và hệ thống HVAC, giếng trời này đã dần bị loại bỏ. Việc bố trí các khu vực với mục đích thương mại trở nên dễ dàng hơn, tuy nhiên lại tạo ra một vấn đề khác về điều hòa không khí.
Các khu vực bên ngoài có ít nhất một bức tường tiếp xúc với nhiệt độ bên ngoài. Điều này có nghĩa là các văn phòng này bị mất nhiệt và tăng nhiệt nhiều hơn so với các khu vực bên trong:
- Vào những ngày lạnh, nhiệt truyền từ không gian được sưởi ấm của tòa nhà sang không khí lạnh hơn bên ngoài (mất nhiệt).
- Vào những ngày nóng, nhiệt truyền từ không khí ấm bên ngoài sang không gian mát hơn của tòa nhà (tăng nhiệt).
Các khu vực bên ngoài tăng hoặc giảm nhiệt với tốc độ khác nhau. Ví dụ, khi mặt trời chiếu vào một mặt của tòa nhà, mặt đó sẽ nhận nhiều nhiệt hơn so với mặt được che nắng. Vị trí của mặt trời, màu sắc của tường, cách nhiệt, lượng kính và bóng râm đều ảnh hưởng đến lượng nhiệt mặt trời này.
Các khu vực trong vùng lõi của tòa nhà thu nhiệt từ con người, đèn chiếu sáng và các thiết bịthiết bị. Do đó, những không gian này thường có yêu cầu sưởi ấm ít hơn ngoại trừ tầng trên cùng nơi nhiệt bị thất thoát qua mái nhà. Điều kiện bình thường là chúng thu quá nhiều nhiệt và do đó cần được làm mát khi sử dụng.
Yêu cầu làm mát cho cả không gian lõi và không gian bên ngoài phụ thuộc vào nhiều yếu tố như sau:
- Các loại chiếm dụng (mật độ, nhiệm vụ công việc chủ động hoặc thụ động).
- Nhiệt do thiết bị sinh ra.
- Loại đèn chiếu sáng và mức độ chiếu sáng.
Vì các không gian khác nhau có tốc độ tăng, giảm nhiệt khác nhau nên dẫn đến yêu cầu bù nhiệt khác nhau. Hệ thống HVAC không thể cung cấp cùng nhiệt độ không khí ở một thể tích cố định cho mọi không gian để cung cấp các điều kiện thoải mái cho tất cả chúng. Do đó, sưởi ấm và làm mát phải được cung cấp ở các tỷ lệ khác nhau cho các khu vực khác nhau của tòa nhà. Khu vực là một không gian hoặc một nhóm không gian trong một tòa nhà có các yêu cầu tương tự về sưởi ấm và làm mát. Tất cả các phòng trong một khu vực có thể được cung cấp không khí cấp nhiệt độ giống nhau ở cùng tốc độ dòng chảy của không khí.
HỆ THỐNG MỘT VÙNG.
Hệ thống HVAC một vùng.
Hệ thống HVAC đầu tiên là hệ thống một vùng. Các hệ thống này coi tòa nhà là một khu vực duy nhất. Hệ thống HVAC này sẽ cung cấp không khí đã được xử lý ở thể tích không đổi và nhiệt độ thay đổi (CV-VT). Bộ xử lý không khí trung tâm trong bất kỳ hệ thống HVAC nào là thiết bị được đặt ở khu vực kỹ thuật để xử lý không khí và đưa nó đến các khu vực không gian có yêu cầu.
Hệ thống một khu vực vẫn được sử dụng trong nhà ở và trong các tòa nhà thương mại nhỏ. Hệ thống một vùng này có hiệu quả trong những tòa nhà nhỏ vì nhiệt tăng và giảm nhiệt cho các khu vực khác nhau có thể không chênh lệch nhiều.
HỆ THỐNG ĐA VÙNG.
Hệ thống HVAC đa vùng.
Hệ thống đa vùng là một hệ thống HVAC ban đầu được thiết kế để đáp ứng các nhu cầu khác nhau của các vùng khác nhau. Các ống dẫn không khí sẽ cung cấp riêng cho từng khu vực trong một tòa nhà. Hệ thống này bao gồm cả thiết bị sưởi ấm và làm mát trong bộ xử lý không khí trung tâm. Cả hai thiết bị này hoạt động cùng một lúc, van gió làm nhiệm vụ trộn không khí nóng và lạnh để có nhiệt độ cần thiết đáp ứng cho từng vùng.
Khi quá trình làm nóng và làm mát xảy ra đồng thời, nó được gọi là hiện tượng vênh do thiết bị làm nóng và làm mát hoạt động ngược chiều nhau. Không khí cung cấp cho từng khu vực được trộn với nhiệt độ ở đâu đó giữa không khí cung cấp nóng và lạnh. Hệ thống Multizone này sử dụng quá nhiều năng lượng để sưởi ấm và làm mát không khí cùng một lúc và do vậy các hệ thống đa vùng không còn được áp dụng nữa.
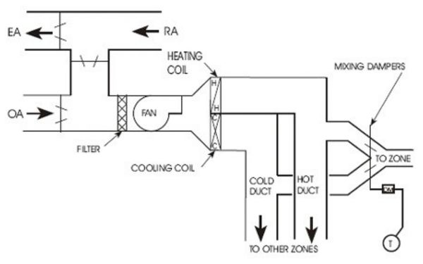
HỆ THỐNG ỐNG KÉP.
Hệ thống ống kép.
Hệ thống áp suất thấp ống kép “dual duct low pressure system” cũng được thiết kế để đáp ứng nhu cầu tiện nghi của các khu vực khác nhau. Một hệ thống ống dẫn kép có hai ống dẫn cung cấp riêng biệt từ thiết bị HVAC đến các cửa gió phân phối trong không gian. Một ống cung cấp không khí lạnh và ống kia cung cấp không khí nóng. Trong hệ thống này, cả bộ phận làm nóng và làm mát đều hoạt động cùng lúc giống như hệ thống đa vùng. Không khí nóng và không khí lạnh được trộn với nhau ở mỗi khu vực để đạt được nhiệt độ không khí cần thiết cho khu vực đó. Hệ thống này được gọi là là “nhiệt độ thay đổi thể tích không đổi” (CV-VT).
Hệ thống này cũng sử dụng quá nhiều năng lượng vì không khí nóng và không khí lạnh trộn lẫn nhau. Do đó, hệ thống ống dẫn kép trộn không khí nóng và lạnh hiện nay cũng không được sử dụng.
Hệ thống ống dẫn kép cũng có những vấn đề khác. Ống dẫn không khí lạnh thường có yêu cầu hầu hết lượng không khí cung cấp. Điều này dẫn đến việc đôi khi dòng chảy trong ống dẫn nóng ít hơn và do đó áp suất tĩnh của ống dẫn nóng cao hơn. Khi một khu vực cần sưởi ấm, áp suất tĩnh cao trong ống dẫn nóng dẫn đến lưu lượng cao tạo ra gió lùa và tiếng ồn.
Hộp trộn áp suất cao.
Để giải quyết các vấn đề về tốc độ dòng khí không ổn định trong hệ thống ống dẫn kép, một hộp trộn áp suất cao đã được phát triển. Điều này đã thay thế các van trộn. Các hộp trộn sẽ kiểm soát lưu lượng với tốc độ dòng chảy không đổi. Các hộp thay đổi hệ thống thành “nhiệt độ thay đổi thể tích không đổi” thực sự (CV-VT).
Các hộp yêu cầu áp suất tĩnh cao để vận hành - thường tối thiểu là 1,5 inch wg (373.6 Pa). Bản thân hệ thống thường yêu cầu áp suất ống dẫn khoảng 3,0 inch wg (747.2 Pa) để hoạt động bình thường. Công suất quạt cần được thiết để duy trì áp suất tĩnh cao, cộng với tình trạng xô lệch (trộn) dẫn đến việc hệ thống vẫn cần sử dụng nhiều năng lượng và do đó chi phí vận hành hệ thống ống dẫn kép vẫn quá cao.
Một vấn đề khác là do áp suất cao hơn thường xuất hiện trong ống dẫn nóng, không khí nóng có thể chảy ngược qua hộp trộn và vào ống dẫn lạnh. Điều này có thể làm tăng nhiệt độ không khí trong ống dẫn lạnh khiến không khí cấp không thể làm mát không gian đầy đủ.
Hộp làm nóng áp suất thấp.
Tiếp đến, các hộp làm nóng nóng áp suất thấp “low pressure reheat units” cho các khu vực đã được phát triển. Không khí cấp phải đủ lạnh để đáp ứng nhu cầu của vùng có tải lạnh lớn nhất. Không khí cung cấp cho tất cả các khu vực khác phải được làm nóng lại. Không có kiểm soát nhiệt độ trừ khi thiết bị làm nóng đang hoạt động. Vào mùa hè, khi thiết bị làm nóng được tắt, hệ thống chỉ có thể cung cấp không khí lạnh do hệ thống làm mát trung tâm tạo ra. Thường thì không gian điều hòa có xu hướng nhiệt độ bị thấp.
HỆ THỐNG VAV
Hệ thống VAV ban đầu.
Hệ thống thể tích không khí thay đổi “Variable air volume systems” (VAV) được phát triển để tiết kiệm năng lượng hơn, khắc phục nhược điểm của các hệ thống cũ và đáp ứng các nhu cầu sưởi ấm và làm mát khác nhau của các khu vực tòa nhà khác nhau. Một khu vực có thể là một phòng đơn lẻ hoặc một cụm phòng có cùng đặc tính thu nhiệt và giảm nhiệt.
Quan trọng nhất là các hệ thống VAV có thể tiết kiệm tới 30% chi phí năng lượng mà vẫn đảm bảo hiệu quả so với các hệ thống ống dẫn kép thông thường. Ngoài ra, chúng rất dễ dàng để lắp đặt và vận hành. Kích thước ống dẫn không khí và bộ xử lý không khí trung tâm nhỏ hơn cùng việc thiết kế và lắp đặt thường đơn giản hơn.
Ống dẫn chính cho hệ thống VAV điển hình chỉ cung cấp khả năng làm mát ở khoảng 55°F (12.7 độ C), đây được gọi là không khí sơ cấp. Bộ điều nhiệt trong phòng kiểm soát lượng không khí sơ cấp được phân phối đến từng khu vực thông qua van gió điều chỉnh cho từng khu vực. Các van gió này thay đổi thể tích không khí cho từng vùng tùy theo nhu cầu làm mát.
Các hệ thống VAV ban đầu thay đổi lưu lượng đầu ra của quạt theo tổng nhu cầu của các vùng. Quạt cần phải có kích thước phù hợp với tải trọng tối đa để đáp ứng cho hệ thống trong trường hợp điều đó có thể xảy ra. Khi thể tích không khí cho các vùng thay đổi, áp suất tĩnh (SP) trong ống dẫn chính có xu hướng thay đổi. Một cảm biến áp suất trong ống dẫn chính sẽ điều khiển đầu ra của quạt để duy trì áp suất tĩnh của ống dẫn khí cung cấp không đổi. Đầu ra của quạt được thay đổi bằng các cánh dẫn vào của quạt hoặc bằng van điều tiết ở đầu ra của quạt. Các hệ thống này được biến đổi lưu lượng với nhiệt độ không đổi “variable volume - constant temperature” (VV-CT)
Các hệ thống VAV ban đầu chỉ làm mát, vì vậy cần có một nguồn nhiệt riêng để làm nóng cho phòng (khu vực) bên ngoài.
Những hệ thống VAV ban đầu này có chi phí lắp đặt thấp. Tuy nhiên, tùy thuộc vào vị trí của van gió, các khu vực (vùng) có thể được cung cấp quá nhiều không khí lạnh, đôi khi tạo ra gió lùa và tiếng ồn. Những hệ thống này rất khó để cân bằng.
THIẾT BỊ ĐẦU CUỐI VAV (VAV BOX).
Thiết bị đầu cuối VAV Box Starduct.
Để kiểm soát tốt hơn không khí thứ cấp được phân phối đến từng khu vực (vùng), thiết bị đầu cuối VAV (VAV Box) đã được phát triển. Thiết bị đầu cuối VAV (Hình 7) này được kết nối với ống dẫn khí cấp ngay trước lối ra của mỗi vùng. Thiết bị này còn được gọi là hộp VAV (VAV Box) vì chúng được thiết kế như một chiếc hộp với tất cả những thứ cần thiết để đảm có thể đảm nhận được nhiệm vụ của nó.
Mỗi VAV Box nhận không khí sơ cấp từ thiết bị xử lý không khí trung tâm ở cùng nhiệt độ. VAV Box chứa một van điều tiết không khí sơ cấp (van điều tiết dạng cánh bướm) điều chỉnh (thay đổi vị trí) theo các tín hiệu từ hệ thống điều khiển tự động. Van điều biến này không chỉ mở hoặc đóng mà nó có thể ở bất kỳ vị trí nào trong phạm vi hoạt động. Van điều tiết không khí sơ cấp điều chỉnh lượng không khí lạnh sơ cấp được đưa đến thiết bị đầu cuối theo nhu cầu của các không gian. Đây cũng là khối lượng không khí thứ cấp được cung cấp cho không gian đó. Hình 8 chỉ hiển thị các tính năng chính của thiết bị đầu cuối.
Thiết bị đầu cuối VAV dạng đơn giản.
Ở dạng đơn giản nhất, VAV Box chỉ hoạt động với tính năng làm mát. Các không gian vùng lõi thường không cần sưởi ấm còn các khu vực bên ngoài được sưởi ấm bằng các nguồn thiết bị khác. Tuy nhiên thì một số VAV Box khác có thể bao gồm một bộ phận sưởi ấm.
Ưu điểm lớn của hệ thống VAV với các thiết bị đầu cuối là chúng có thể đáp ứng các yêu cầu tiện nghi của các khu vực khác nhau trong tòa nhà mà không cần sưởi ấm và làm mát cùng một lúc.
PHỤ THUỘC ÁP SUẤT HOẶC ĐỘC LẬP ÁP SUẤT
Các hệ thống VAV phụ thuộc vào áp suất hoặc không phụ thuộc vào áp suất.
Các VAV Box đầu tiên phụ thuộc vào áp suất. Chúng không có cách nào để hạn chế lượng không khí cung cấp.
Trong các hệ thống phụ thuộc vào áp suất, thể tích không khí được cung cấp bởi thiết bị đầu cuối thay đổi tùy thuộc vào áp suất tĩnh (SP) trong ống dẫn khí chính. Van gió sơ cấp trong thiết bị đầu cuối được điều khiển bởi một bộ điều nhiệt đặt ở khu vực cần kiểm soát để nhận tín hiệu. Tuy nhiên, luồng không khí qua van điều tiết thay đổi tùy theo áp suất tĩnh (SP) trong ống dẫn chính.
Các thiết bị đầu cuối gần với quạt cung cấp có khả năng cung cấp quá nhiều không khí sơ cấp. Các thiết bị đầu cuối ở xa quạt cấp nhất không có khả năng cung cấp đủ không khí sơ cấp.
Các VAV Box độc lập với áp suất có các thiết bị cảm biến lưu lượng hạn chế tốc độ dòng chảy của không khí qua hộp. Chúng có thể kiểm soát lưu lượng tối đa đến tối thiểu và do đó, nó độc lập với áp suất tĩnh trong ống dẫn khí chính.
Ngày nay, hầu như tất cả các hệ thống HVAC được trang bị VAV độc lập với áp suất. Các hệ thống độc lập về áp suất có thể được cân bằng và sẽ cho ra luồng không khí chính xác từ mỗi VAV Box.
THAY ĐỔI TỐC ĐỘ QUẠT
Do mỗi thiết bị đầu cuối (VAV Box) điều chỉnh lượng không khí sơ cấp của nó một cách độc lập nên thể tích (cfm) của không khí sơ cấp do thiết bị xử lý trung tâm cung cấp cần thay đổi tùy theo hoạt động điều tiết của các thiết bị đầu cuối trong hệ thống. Điều này có nghĩa là quạt gió trong thiết bị xử lý không khí trung tâm phải thay đổi công suất của nó để đáp ứng nhu cầu của tất cả các thiết bị đầu cuối. Nếu van gió sơ cấp của hầu hết các thiết bị đầu cuối đều mở hoàn toàn, lưu lượng cần thiết cho toàn bộ hệ thống sẽ có yêu cầu cao. Nếu hầu hết các van gió của thiết bị đầu cuối đều đóng, lưu lượng cần thiết cho hệ thống sẽ có yêu cầu ít hơn.
Trong nhiều hệ thống hiện tại, vòng/phút (tốc độ) của quạt cấp trung tâm được điều chỉnh bởi hệ thống điều khiển để đáp ứng nhu cầu thay đổi của hệ thống. Cảm biến áp suất tĩnh (SP) trong ống dẫn khí chính sẽ gửi tín hiệu đến bộ điều khiển điều chỉnh tốc độ quạt để duy trì áp suất không đổi trong đường ống.
Vị trí của cảm biến áp suất này cũng rất quan trọng đối với hiệu suất của hệ thống. Tốt nhất là nó nên được đặt gần thiết bị đầu cuối xa nhất hoặc có khả năng bị giảm áp nhiều nhất. Nếu cảm biến được đặt quá gần quạt cấp, áp suất tĩnh trong ống cấp sẽ quá cao trong những khoảng thời gian nhu cầu lưu lượng thấp.
CẢI TIẾN TRONG HỆ THỐNG VAV
Các hệ thống VAV ban đầu không được các kỹ thuật viên HVAC đánh giá cao. Họ được coi là gần như không thể cân bằng và giữ thăng bằng. Ngày nay, các hệ thống VAV độc lập với áp suất được coi là thiết kế hệ thống HVAC tốt nhất hiện có. Sự thay đổi này phần lớn là kết quả của những cải tiến trong thiết bị đầu cuối.
Nhiều hệ thống VAV và thiết bị đầu cuối đã được phát triển để cung cấp cho các nhu cầu cụ thể của tòa nhà. Sau đây là những loại thường được sử dụng:
Biểu đồ mô tả bảy loại hệ thống VAV.
- Coolingonly unit: Chỉ làm mát.
- Reheat unit: Làm nóng cũng như làm mát.
- Fanpowered reheat unit: Làm nóng chạy bằng quạt để cung cấp luồng không khí hồi lưu qua cuộn dây.
- Induction unit: Bộ phận cảm ứng sử dụng nguyên lý cảm ứng chứ không phải quạt để hút không khí trở lại từ không gian trần nhà.
- Bypass unit: tránh làm mát quá mức bằng cách kiểm soát lượng không khí lạnh đi vào không gian.
- Dual duct system: Hệ thống ống dẫn kép với bên nóng và bên lạnh tại bộ phận xử lý không khí. Thiết bị đầu cuối (VAV) trộn không khí nóng và lạnh theo yêu cầu của khu vực.
- Changeoverbypass system: Hệ thống cung cấp sưởi hoặc làm mát với một ống dẫn khí duy nhất. Van điều tiết nhánh duy trì áp suất tĩnh không đổi trong ống cấp khí chính.
CẢI TIẾN KHÁC
Công nghệ kỹ thuật số phát triển đã cải thiện đáng kể hiệu suất của hệ thống VAV. Điều khiển kỹ thuật số chính xác hơn và có thể dễ dàng quản lý các chức năng phức tạp hơn. Các thông tin đầu vào sẽ được đưa vào một bộ xử lý trung tâm (CPU). CPU sẽ tạo ra các báo cáo hiệu suất hệ thống từ việc phân tích chúng. CPU cũng có thể được sử dụng để thay đổi các thông số của hệ thống bằng việc điều khiển từ xa.
Các cảm biến tốt hơn được sử dụng cùng với hệ thống điều khiển số để đo các yếu tố như nhiệt độ, áp suất tĩnh và áp suất tổng một cách chính xác và đáng tin cậy hơn. Điều này cho phép kiểm soát các thiết bị đầu cuối nhanh hơn, chính xác và nhất quán hơn, nó cũng giúp cho việc kiểm soát tốc độ quạt tốt hơn cho phép hệ thống VAV đáp ứng các nhu cầu khác nhau.
HỆ THỐNG ĐIỀU KHIỂN
- Hệ thống VAV được điều khiển bởi hệ thống điều khiển kỹ thuật số hoặc khí nén.
- Hệ thống kỹ thuật số là hệ thống điều khiển bằng máy tính sử dụng tín hiệu kỹ thuật số.
- Hệ thống khí nén sử dụng tín hiệu thay đổi áp suất không khí.
- Hiện tại, hầu hết các hệ thống VAV được điều khiển bởi các hệ thống điều khiển độc lập kỹ thuật số. Hệ thống điều khiển số có nhiều ưu điểm:
- Không yêu cầu hiệu chỉnh thường xuyên.
- Có thể thực hiện các chuỗi phức tạp.
- Có thể điều khiển từ một máy tính chủ.
- Có thể truyền thông tin đến máy tính như vị trí van điều tiết, nhiệt độ phòng, lượng không khí cung cấp và nhiệt độ không khí cung cấp.
Thiết kế tốt hơn của các thiết bị đầu cuối (VAV Box) ngày nay đã đơn giản hóa và cải tiến các hệ thống HVAC. VAV Box cũng làm cho việc kiểm soát, cài đặt và cân bằng đơn giản, chính xác hơn giúp tiết kiệm năng lượng và cải thiện “sự thoải mái” một cách đáng kể cho các tòa nhà.
Vật liệu:
- Vỏ: Tôn ZAM dày 0,8 mm , lớp coating 270g / m2
- Cánh giảm chấn: Hai lớp dày 0,7mm bằng thép ZAM, lớp coating 270g / m2 có khả năng chịu nhiệt với miếng đệm silicone.
- Lớp trong bên trong: tấm đệm dày 25mm, màu đen.
- Vòng bi: ABS plastic
- Trục cánh: Thép vuông 10 * 10mm
- Cảm biến chênh lệch áp suất: Ống nhôm
- Bộ điều khiển: Belimo
Sản phẩm VAV Box được sản xuất tại Nhà máy cơ khí Starduct và đã ký hợp đồng với AHRI's chương trình chứng nhận theo tiêu chuẩn AHRI 880 (I-P) 2017 (Chương trình chứng nhận lượng không khí có thể thay đổi).
Starduct VAV đã được chứng nhận theo tiêu chuẩn ISO7244 về tỷ lệ rò rỉ từ vỏ ngoài và cánh gạt. Được chứng nhận theo tiêu chuẩn AS1217.2-1985 về tiếng ồn và được kiểm tra theo ANSI / ASHREA 130-1996 của quyết định công suất âm thanh bức xạ và phóng điện.
PS: Bài viết này được trích, lược dịch lại từ cuốn “Variable Air Volume Systems” của Leo A. Meyer - một người trong hơn 30 năm đã viết và xuất bản các tài liệu đào tạo cho ngành HVAC.
Bài viết có thể còn những sai xót về từ ngữ chuyên ngành trong quá trình biên tập, mong bạn đọc thông cảm và góp ý để bài viết được chính xác hơn!
Email: baogia@mepco.vn
Đ.c: số 10 ngõ 232 Trần Điền, Định Công, Hoàng Mai,Hà Nội.










Xem thêm